羅茨風機內部結構圖
瀏覽: 發布日期:2022-11-18
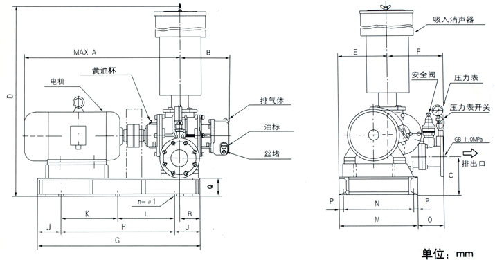
結構形式
作為一臺普通的三葉羅茨風機,主要由機頭和驅動機兩部分組成,動力數據來源可以是驅動機,也可以是電機和是柴油機,然而羅茨風機的主要工作組件是機頭,羅茨風機只有通過有規律的運轉,才能達到理想氣體輸送的狀態。

工作原理
羅茨風機扇有兩個葉輪(圖2,環部),在電機下,兩個葉輪轉相反,當葉輪進風口后,兩個葉輪和壁板和外殼形成一個密封室,葉輪繼續轉動,腔內的空氣被壓入排氣,因此反復通過進排氣,外部空氣到達目的地。
在羅茨風機葉輪與葉輪之間、葉輪與壁板之間、葉輪與殼體之間都會有一定的間隙,并且間隙會有固定的標準和誤差,如果誤差太大的話,則會出現其他相應的故障問題。 在當葉輪通過排氣口時,在管道前壓力的作用下,有一部分氣體會通過間隙泄漏到外部,這種泄漏稱為內部泄漏。

相關新聞
- 2025-12-15氣力輸送羅茨風機選型及使用注意事項
- 2025-11-28185kw羅茨風機安裝注意事項
- 2025-11-24150型高壓水冷羅茨風機準備發貨河南
- 2025-11-13160kw羅茨鼓風機安裝注意事項
- 2025-11-05160KW羅茨鼓風機型號選型







